Šta je spiralna traka od volfram karbida?
Šta je spiralna traka od volfram karbida?

Šta je spiralna traka od volfram karbida?
Spiralne trake od volfram karbida nazivaju se i spiralne trake od volfram karbida ili spiralne trake za glodanje od volfram karbida. Glavna primjena spiralnih uložaka za glodanje od volfram karbida je zavarivanje na krajnje glodalice za strojnu obradu različitih materijala.
Koja je glavna veličina spiralnih traka od karbida?
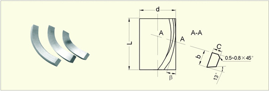
Koja je glavna tolerancija spiralne trake za glodanje?


Koje se glavne klase preporučuju za spiralne trake od volfram karbida?

Koje su prednosti ZZbetter spiralnih traka od volfram karbida?
Visokokvalitetni materijal: Izrađen od visokokvalitetnog materijala od volframovog čelika, stabilan i ekološki prihvatljiv, otporan na habanje i izdržljiv.
Širok raspon primjena: Širok raspon primjene, pogodan za prerađivačku industriju, uvelike poboljšava efikasnost obrade.
Područje primjene: Umetnut na rubu završnog glodala, važan je dodatak završne glodalice, praktičan za upotrebu.
Pogodan za upotrebu: Lagan i male veličine, jednostavan za skladištenje i nošenje, pogodan za profesionalnu upotrebu.
Savršeno u performansama: Fina izrada, rezni oblik: glodanje, spiralni ugao: 45 stepeni, dobre performanse.
Nikada nema kraja težnji za boljim kvalitetom i boljim performansama. ZZbetter je dao sve od sebe da napravi poboljšanja.
Ako ste zainteresovani za proizvode od volfram karbida i želite više informacija i detalja, možete NAS KONTAKTIRATI telefonom ili poštom na lijevoj strani, ili NAM POŠALJITE POŠTU na dnu stranice.





















