opis
Posjedujemo tvornicu specijaliziranu za volfram karbid, također isporučujemo mnoge druge proizvode koje ne možemo proizvesti. posvećeni pronalaženju najboljih proizvoda za one koji žele da dobiju proizvode dobre kvalitete i najbolje cijene.


Štasuvrijednost cementnog karbidadugmad?
❊ Svi znamo da je dijamant najtvrđi materijal, ali je teško zadovoljiti potražnju za razbijanjem stijena u rudnicima. Zacementirano
karbid ima relativno dobre performanse u pogledu tvrdoće i žilavosti. Stoga je dodana vrijednost rudarskih alata proizvedenih od strane
cementirani karbid je veći.
❊Dugme od volframovog karbida je vrlo tvrd metalni materijal mnogo tvrđi od čelika ili željeza, odmah iza dijamanta.
❊Bez cementiranog karbida, razbijanje stijena u rudnicima, vađenje nafte i rad štitnih mašina će postati problemi.
Koja je upotreba volframovog karbidadugmad?
Dugme od tvrdog metala ima jedinstvenu izvedbu, se široko koristi u bušenju nafte i uklanjanju snijega, snježnim plugom
mašine i drugu opremu.
Također se koristi za bušenje, rudarstvo i mašinu za metanje puteva, alatke za uklanjanje snijega i održavanje puteva. Više.
ima odličnu pomoć u vađenju, vađenju, alatu za probijanje tunela, kao i civilnoj gradnji
1. Karbidni zubi dugmeta od volframovog karbida:
Prema različitim oblicima, karbidna dugmad se može klasifikovati na sferna dugmad, konusna dugmad, klinasta
dugmad, dugmad za kašike, parabolična dugmad, itd.
2. Konusni gumbi za bušotine i rudarstvo
Okruglo/kupolasto karbidno dugme se obično koristi za dugme za merenje DTH bitova, pogodno za veoma abrazivne i veoma
tvrde formacije.
3.Bitovi za dugmad od cementnog karbida se naširoko koriste za dugmad i prednja dugmad DTH bitova, pogodni za
srednje abrazivne i tvrde formacije.
Saznajte više o upotrebi >> pošaljite nam upit



> pošaljite nam upit
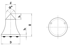
pošaljite nam upit | D | d | H | h₁ | h₂ | αº | ![]() |
WB1615 | 16.1 | 8.0 | 15.1 | 3.0 | 1.8 | 92 | |
WB1817 | 17.8 | 9.6 | 17.1 | 3.8 | 1.6 | 82 | |
WB1918 | 19.0 | 10.5 | 17.5 | 4.2 | 2.0 | 90 |
Carbide Road Tips for Milling Roads
TYPE
Imamo i druge veličine, kontaktirajte nas za više informacija.:
Možemo proizvesti i prema vašem crtežu ili uzorcima. | Preporučena ocjena | Kategorija) | Co% | Gustina (g/cm³ | Tvrdoća (HRA) | TRS (Mpa) |
Veličina WC zrna μm | 6 | 14.93 | 87.7 | 2000 | 4.0 | Aplikacija se preporučuje |
6 | 14.92 | 88.5 | 2200 | 3.2 | Za glodanje | |
Za asfaltni i cementni put | 8.5 | 14.65 | 86.3 | 2200 | 4.0 | Za cementni put |
8 | 14.71 | 85.6 | 1800 | 6.0 | ||
10 | 14.48 | 85.5 | 2000 | 5.0 | ||
Za iskopavanje | 10 | 14.49 | 85.8 | 2400 | 4.0 | Za rudnik uglja zavisi od situacije i tvrdoće rudnika |



Zhuzhou Better Tungsten Carbide Co., Ltd
ADRESA:B/V 12-305, Da Han Hui Pu Industrial Park, Zhuzhou City, Kina.
Telefon:+86 18173392980
Tel:0086-731-28705418
faks:0086-731-28510897
Email:zzbt@zzbetter.com
Whatsapp/Wechat:+86 181 7339 2980

























