- Indwangu: I-Polycrystalline Diamond Compact
- Isicelo: Uwoyela Negesi
- Inzuzo: Ukuguga okuphezulu kanye nokumelana nomthelela
ukufanisa
Sinefekthri ekhethekile ye-tungsten carbide, futhi sihlinzeka ngeminye imikhiqizo eminingi esingakwazi ukuyikhiqiza. uzibophezele ekutholeni imikhiqizo engcono kakhulu yensiza kulabo abafuna ukuthola ikhwalithi enhle nemikhiqizo yamanani angcono kakhulu.


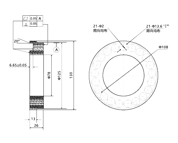
I-PDC thrust bearings yizinsimbi ezikhethekile eziklanyelwe ukusekela imithwalo ye-axial ezinhlelweni ezihlukahlukene. I-PDC imele i-Polycrystalline Diamond Composite, into eyaziwa ngobulukhuni bayo obukhethekile kanye nokungagugi. Lawa ma-bearings avame ukusetshenziswa ezimbonini ezifana nowoyela negesi, izimayini, nemishini esindayo, lapho engakwazi ukumelana nezimo ezimbi kakhulu zokucindezela kanye nezinga lokushisa.
Umsebenzi oyinhloko we-PCD thrust bearings ukunciphisa ukungqubuzana nokuthuthukisa ukusebenza kahle kwemishini. Zenzelwe ukuphatha amandla aphezulu e-axial ngenkathi zigcina ukuqina nokuthembeka, zizenze zifanelekele izindawo ezidinga kakhulu. Lapho ukhetha ama-PCD thrust bearings, izici ezifana nomthamo womthwalo, izimo zokusebenza, nezindlela zokuthambisa kufanele zicatshangelwe ukuze kuqinisekiswe ukusebenza okuphelele kwezinhlelo ezithile zokusebenza.

I-PDC Thrust Bearings
I-PDC thrust bearing yamamotho aphuma emgodini inganciphisa ngokuphawulekayo inani lokulungiswa kwamathuluzi okubhola kanye nezindleko zokugcinwa kwemishini ngaphansi kwezimo ze-downhole ezinesivinini esikhulu nezinomfutho ophezulu. Ifaneleka ngokukhethekile amathuluzi okumba izikulufu zokumba imithombo ejulile nejule kakhulu.
I-PDC Tilt Pad Thrust Bearing
Izinto eziyisisekelo ziyinsimbi ephathwe ngokukhethekile, futhi amathayili enziwe ngesisekelo sensimbi ne-PDC, ukuthola i-coefficient ephansi ye-friction, ukumelana nokugqwala kwamakhemikhali, izakhiwo eziphakeme zokulwa nokunamathela, ukumelana nokugqoka okuphezulu kakhulu nokusebenza okuphezulu kokushisa. Idizayini ethuthukisiwe yesakhiwo sephedi, usayizi wephedi onemba kakhulu, nezinto ezinhle kakhulu ezingagugi kungenza kube lula ku-bearing ukufeza ukugcotshwa kwengcindezi eguqukayo.













I-Zhuzhou Better Tungsten Carbide Co., Ltd
IKHELI:B/V 12-305, Da Han Hui Pu Industrial Park, Zhuzhou City, China.
Ucingo:+86 18173392980
Ucingo:0086-731-28705418
Ifeksi:0086-731-28510897
I-imeyili:zzbt@zzbetter.com
Whatsapp/Wechat:+86 181 7339 2980


























